Call us I-V 9-18 h.: +370 686 33335 or
write us
Language
Lietuvių
English
Русский
My Account
Register
Log in
Wishlist
(0)
Close
Isparduotuve
Auto aparatura
Back
Grotuvai
Back
Magnetolos
DVD Grotuvai
Multimedijos
DAB grotuvas
Magnetolos atsparios vandeniui
FM moduliatoriai
Monitoriai
USB / BT adapteriai
USB / SD adapteriai
Garsiakalbiai
Back
Koaksialiniai
Komponentiniai
Aukstu dazniu
Atsparus vandeniui
zemu dazniu
zemu dazniu dezeje
Korpusiniai
Subo dezes
Adapteriai garsiakalbiams
Garsiakalbio laidų perėjimai
Groteles garsiakalbiams
Multimediju priedai
Back
iPad mini Padbay remeliai
Kamera galinio vaizdo
Kamera komerciniam tr.
Kameros universalios
Kameru adapteriai
Monitoriai
Priedai
TV imtuvai
Grotuvu priedai
Back
CD keitikliu apkabos
Magnetolu isemimo raktai
Magnetolu lankeliai
Mikrofonai
Nuotolinio valdymo pultai
Pusstalciai/stalciai
USB raktai / SD atminties korteles
Kondensatoriai
Back
Automobiliniai kondensatoriai
Vaizdo registratoriai:
Back
Vaizdo registratoriai
Stiprintuvai
Back
Garso stiprintuvai
Apsaugos sistemos
Back
Apsaugos priemones
Imobilaizeriai
Signalizacijos
Signalizaciju priedai
Adapteriai
Back
Remeliai universalus
Remeliai grotuvams
Aux / bluetooth adapteriai:
• AUX universalus
• AUX dedikuoti
• Bluetooth dedikuoti
• USB / SD adapteriai
• USB / BT adapteriai
CAN Bus
Valdymo ant vairo
RCA linijiniai laidai
Multimedia
CD/MD keitiklio
HI -> LOW
Jungtys automobiliu-ISO
Jungtys automagnetolu-ISO
ISO-ISO
VIDEO vaziuojant
Laidai
Back
CD keitikliu laidai
Y-adapteriai
Laidai garsiakalbiams
Laidu komplektai
Linijiniai audio laidai
Linijiniai video laidai
Maitinimo laidai stiprintuvams
Antgaliai laidams:
Back
Akumuliatoriu gnybtai
• Akumuliatoriu gnybtai
• Kilputes
• sakutes
• Antgaliai garsiakalbiams
Laidu priedai:
Back
Laidu jungtys
• Antgaliai laidams
• Gofra laidams
• Paskirstymo blokai
• Saugikliai
• Saugiklines
Antenos
Back
AM/FM
Anteniniai perejimai
DAB
GSM
Antenos laidai
Misrios
Rem. komplektai
GPS antenos
GPS antenos antgalis
TV
Priedai
Back
itampos keitikliai
Audiniai:
• Akustiniai
• Dezem
• Klijai
• Dirbtine oda
Dezes bosams
Deziu gamybai:
• Fazo invertoriai
• Kontaktai/Jungtys
• Groteles
Filtrai
ivairus
Izoliacines medziagos
Back
Garsa sugeriancios medziagos
Garso izoliacija
Montavimui skirti priedai
Vibro izoliacija
Izoliacijos
Chemija ir valymo priemones
Back
Automobiliui
Back
Eksplotacijai
Isorei
Nanodangos automobiliams
sluostes ir priedai
Vidui
Buiciai
Back
Drabuziams ir avalynei
Nanodangos
Valymo priemones
Komforto iranga automobiliams
Back
Navigacijos
CB Racijos
Back
CB antenos igreziamos
CB antenos magnetines
CB radijo stotele
Padai mag.antenoms
CB raciju priedai
Laisvu ranku iranga
Back
Adapteriai laisvu ranku irangai
Laisvu ranku irangos
Parkavimo sistemos
Back
Atsargines dalys
Parkavimo davikliai
Parkavimo davikliai universalus
Park. sistemos
Radar Detektoriai
Back
Radar detektorius
Apsvietimas
Back
Automobiliams 12V
Back
Pagrindines sviesos:
Back
• H2
• Amerikietiskos
• H1
Priesrukiniai zibintai
• H3
• H4
• H7
• Kitos
Stop / posukiai:
Back
• Kaitrines
• LED
Salono apsvietimas/ gabaritai:
• Kaitrines
• LED
Skydeliui 12V:
• Kaitrines
View All
Sunkvezimiams 24V
Back
Pagrindines sviesos
Stop/gabaritai/apsvietimas:
• Kaitrines
• LED
Skydeliui:
• Kaitrines
• LED
Komplektai
Mopedams 6V
Back
Pagrindines sviesos 6V
Stop/gabaritai/apsvietimas moped.
Dviraciu zibintai
Ksenonai
Back
Lempu apiplovimas
OEM Xenon blokai
Xenon lemputes
Xenon priedai
Keltuvams 48V
Back
Pagrindines sviesos 48V
BMW LED Marker
LED numerio apsvietimo
Darbines sviesos
Back
LED prozektoriai
LED stoginiai
svytureliai
LED pagrindines sviesos
LED sistemu priedai
Dienos sviesos zibintai DRL
Ausines
Back
zaidimu ausines
Sportui belaides
Uzdaro korpuso belaides
istatomos i ausis belaides
Ausines Vaikiskos
Sportui su laidu
Uzdaro korpuso su laidu
Ausines Wireles
Ausines Xtreme Xplosives
Belaides koloneles
Other
Back
Masaziniai stalai
Back
Masaziniai stalai 2d
massage table
Alkotesteriai
Automobiliu dalys
Back
Elektros dalys
Plastmasiniai laikikliai
Priekabu adapteriai
Baterijos, Pakrovejai
Back
Baterijos
ikrovikliai, akumuliatoriai
Tinklo adapteriai
Buitine aparatura
Back
imontuojamos koloneles
Muzikinis centras
Projektoriai
Resyveriai
Vaizdo kamera
irankiai
Back
Kompresoriai
Atsuktuvo antgaliai
Dirzeliai - uztrauktukai
Graztai
Nesiojamos garazo lempos
Pjukliukai
Reples
Stalciukai
Testerio laidai
Tinklo iranga
Pakavimo medziagos
Back
Blisterine pakuote
Burbuliniai vokai
Lipni juosta
Uzsegami maiseliai
PDA, MP4, Telelefonu priedai
Back
PDA, MP4, Tel. priedai
Reklama
Back
Katalogai
Reklamine medziaga
Sporto,laisvalaikio ir kt. prekes
Back
Batu apkaustai
Nuo uodu
Technikos atsargines dalys
Back
Pioneer detales
Elektronikos dalys
Axton detales
Radical detales
Signalizaciju pulteliai
Skalbimo masinu filtrai
Xzent detales
Zenec detales
Home Page
Contact Us
Isparduotuve
Back
Sportas, laisvalaikis
Belaides prekes
Automobiliu prekes
Kudikiu prekes
Grozio prekes
Kameros
Augalai
Elektronika
Baldai
Namams
Kompiuterija
Kita
Sodas ir darzas
Biuro prekes
Darbo irankiai
Asmenine prieziura
zaislai
Namu apyvokos reikmenys
Menu
Isparduotuve
Auto aparatura
Back
Grotuvai
Back
Magnetolos
DVD Grotuvai
Multimedijos
DAB grotuvas
Magnetolos atsparios vandeniui
FM moduliatoriai
Monitoriai
USB / BT adapteriai
USB / SD adapteriai
Garsiakalbiai
Back
Koaksialiniai
Komponentiniai
Aukstu dazniu
Atsparus vandeniui
zemu dazniu
zemu dazniu dezeje
Korpusiniai
Subo dezes
Adapteriai garsiakalbiams
Garsiakalbio laidų perėjimai
Groteles garsiakalbiams
Multimediju priedai
Back
iPad mini Padbay remeliai
Kamera galinio vaizdo
Kamera komerciniam tr.
Kameros universalios
Kameru adapteriai
Monitoriai
Priedai
TV imtuvai
Grotuvu priedai
Back
CD keitikliu apkabos
Magnetolu isemimo raktai
Magnetolu lankeliai
Mikrofonai
Nuotolinio valdymo pultai
Pusstalciai/stalciai
USB raktai / SD atminties korteles
Kondensatoriai
Back
Automobiliniai kondensatoriai
Vaizdo registratoriai:
Back
Vaizdo registratoriai
Stiprintuvai
Back
Garso stiprintuvai
Apsaugos sistemos
Back
Apsaugos priemones
Imobilaizeriai
Signalizacijos
Signalizaciju priedai
Adapteriai
Back
Remeliai universalus
Remeliai grotuvams
Aux / bluetooth adapteriai:
• AUX universalus
• AUX dedikuoti
• Bluetooth dedikuoti
• USB / SD adapteriai
• USB / BT adapteriai
CAN Bus
Valdymo ant vairo
RCA linijiniai laidai
Multimedia
CD/MD keitiklio
HI -> LOW
Jungtys automobiliu-ISO
Jungtys automagnetolu-ISO
ISO-ISO
VIDEO vaziuojant
Laidai
Back
CD keitikliu laidai
Y-adapteriai
Laidai garsiakalbiams
Laidu komplektai
Linijiniai audio laidai
Linijiniai video laidai
Maitinimo laidai stiprintuvams
Antgaliai laidams:
Back
Akumuliatoriu gnybtai
• Akumuliatoriu gnybtai
• Kilputes
• sakutes
• Antgaliai garsiakalbiams
Laidu priedai:
Back
Laidu jungtys
• Antgaliai laidams
• Gofra laidams
• Paskirstymo blokai
• Saugikliai
• Saugiklines
Antenos
Back
AM/FM
Anteniniai perejimai
DAB
GSM
Antenos laidai
Misrios
Rem. komplektai
GPS antenos
GPS antenos antgalis
TV
Priedai
Back
itampos keitikliai
Audiniai:
• Akustiniai
• Dezem
• Klijai
• Dirbtine oda
Dezes bosams
Deziu gamybai:
• Fazo invertoriai
• Kontaktai/Jungtys
• Groteles
Filtrai
ivairus
Izoliacines medziagos
Back
Garsa sugeriancios medziagos
Garso izoliacija
Montavimui skirti priedai
Vibro izoliacija
Izoliacijos
Chemija ir valymo priemones
Back
Automobiliui
Back
Eksplotacijai
Isorei
Nanodangos automobiliams
sluostes ir priedai
Vidui
Buiciai
Back
Drabuziams ir avalynei
Nanodangos
Valymo priemones
Komforto iranga automobiliams
Back
Navigacijos
CB Racijos
Back
CB antenos igreziamos
CB antenos magnetines
CB radijo stotele
Padai mag.antenoms
CB raciju priedai
Laisvu ranku iranga
Back
Adapteriai laisvu ranku irangai
Laisvu ranku irangos
Parkavimo sistemos
Back
Atsargines dalys
Parkavimo davikliai
Parkavimo davikliai universalus
Park. sistemos
Radar Detektoriai
Back
Radar detektorius
Apsvietimas
Back
Automobiliams 12V
Back
Pagrindines sviesos:
Back
• H2
• Amerikietiskos
• H1
Priesrukiniai zibintai
• H3
• H4
• H7
• Kitos
Stop / posukiai:
Back
• Kaitrines
• LED
Salono apsvietimas/ gabaritai:
• Kaitrines
• LED
Skydeliui 12V:
• Kaitrines
View All
Sunkvezimiams 24V
Back
Pagrindines sviesos
Stop/gabaritai/apsvietimas:
• Kaitrines
• LED
Skydeliui:
• Kaitrines
• LED
Komplektai
Mopedams 6V
Back
Pagrindines sviesos 6V
Stop/gabaritai/apsvietimas moped.
Dviraciu zibintai
Ksenonai
Back
Lempu apiplovimas
OEM Xenon blokai
Xenon lemputes
Xenon priedai
Keltuvams 48V
Back
Pagrindines sviesos 48V
BMW LED Marker
LED numerio apsvietimo
Darbines sviesos
Back
LED prozektoriai
LED stoginiai
svytureliai
LED pagrindines sviesos
LED sistemu priedai
Dienos sviesos zibintai DRL
Ausines
Back
zaidimu ausines
Sportui belaides
Uzdaro korpuso belaides
istatomos i ausis belaides
Ausines Vaikiskos
Sportui su laidu
Uzdaro korpuso su laidu
Ausines Wireles
Ausines Xtreme Xplosives
Belaides koloneles
Other
Back
Masaziniai stalai
Back
Masaziniai stalai 2d
massage table
Alkotesteriai
Automobiliu dalys
Back
Elektros dalys
Plastmasiniai laikikliai
Priekabu adapteriai
Baterijos, Pakrovejai
Back
Baterijos
ikrovikliai, akumuliatoriai
Tinklo adapteriai
Buitine aparatura
Back
imontuojamos koloneles
Muzikinis centras
Projektoriai
Resyveriai
Vaizdo kamera
irankiai
Back
Kompresoriai
Atsuktuvo antgaliai
Dirzeliai - uztrauktukai
Graztai
Nesiojamos garazo lempos
Pjukliukai
Reples
Stalciukai
Testerio laidai
Tinklo iranga
Pakavimo medziagos
Back
Blisterine pakuote
Burbuliniai vokai
Lipni juosta
Uzsegami maiseliai
PDA, MP4, Telelefonu priedai
Back
PDA, MP4, Tel. priedai
Reklama
Back
Katalogai
Reklamine medziaga
Sporto,laisvalaikio ir kt. prekes
Back
Batu apkaustai
Nuo uodu
Technikos atsargines dalys
Back
Pioneer detales
Elektronikos dalys
Axton detales
Radical detales
Signalizaciju pulteliai
Skalbimo masinu filtrai
Xzent detales
Zenec detales
Home Page
Contact Us
Isparduotuve
Back
Sportas, laisvalaikis
Belaides prekes
Automobiliu prekes
Kudikiu prekes
Grozio prekes
Kameros
Augalai
Elektronika
Baldai
Namams
Kompiuterija
Kita
Sodas ir darzas
Biuro prekes
Darbo irankiai
Asmenine prieziura
zaislai
Namu apyvokos reikmenys
(0)
items
You have no items in your shopping cart.
All Categories
Menu
Shopping cart
Filters
Personal menu
Language
Search
Home
/
meniu
/
Apsvietimas
/
Sunkvezimiams 24V
/
• LED
/
Bosma lempute T05, balta B8.7d, sviesos diodai
Prev
Bosma lempute T05, balta B8...
Next
Bosma lempute T05, balta, s...
Manufacturer:
BOSMA
Bosma lempute T05, balta B8.7d, sviesos diodai
Be the first to review this product
1.40 € incl tax
Old price:
2.98 € incl tax
Komplektas, 2vnt !
Komplektas, 2vnt !
SKU:
L00BK7750
Parduotuvėje yra.
Pristatysime: per 1* d.d.
Qty:
Nuoroda draugui
Share:
Overview
Reviews
Contact Us
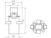
Bosma lempute T05, balta B8.7d, 1X sviesos diodas
• Tipas: B8,7d
• itampa: 24 V
• sviesos diodu skaicius: 1
• Spalva: balta
Komplekte 2vnt.
Write your own review
Product can be reviewed only after purchasing it
Only registered users can write reviews
Review title:
*
Review text:
*
Rating:
Bad
Excellent
Product can be reviewed only after purchasing it
Only registered users can write reviews
Your name
*
Your email
*
Enquiry
*
Bosma lempute T05, balta B8.7d, 1X sviesos diodas
• Tipas: B8,7d
• itampa: 24 V
• sviesos diodu skaicius: 1
• Spalva: balta
Komplekte 2vnt.